
Brumlovka získala prestižní certifikaci Fitwel - jako...
Pražská čtvrť Brumlovka, kterou společnost Passerinvest Group téměř 30 let postupně buduje na území Prahy 4, dosáhla významného mezinárodního úspěchu. Začátkem...
více »

Do ČR poprvé zamíří BioEquity, největší evropská...
Praha se příští rok stane centrem evropského biotechnologického investičního světa. Poprvé v historii bude hostit prestižní mezinárodní konferenci BioEquity Europe....
více »

Jak být úspěšný
Mnoho lidí dnes touží být úspěšní. Pod pojmem "být úspěšný" si samozřejmě můžeme představit cokoliv. Může se jednat o úspěch v práci, ale i soukromém životě. Úspěch...
více »

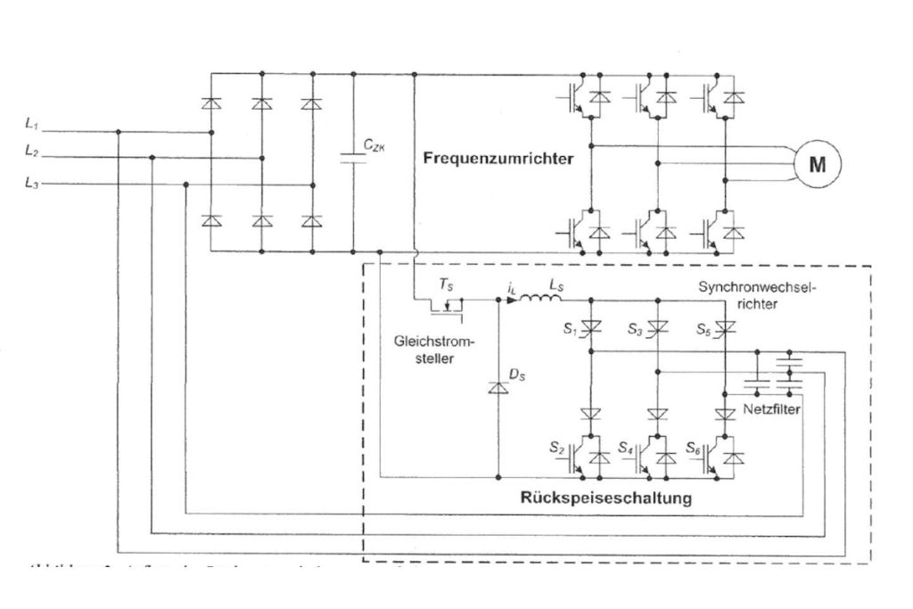
Úspory a stabilita provozu: Proč se výrobním firmám...
Průmyslová výroba dnes čelí komplexnímu mixu energetických výzev. Ceny elektřiny jsou volatilní, distribuční soustava naráží na limity a výpadky připojení zpomalují...
více »








































